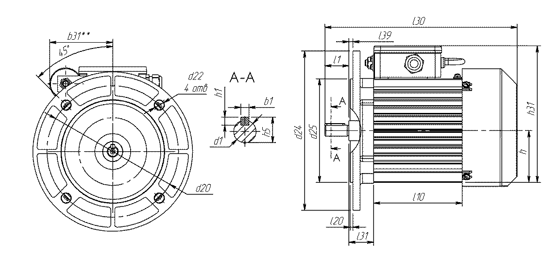
Габаритные, установочные и присоединительные размеры двигателей
c привязкой мощности к установочным и присоединительным размерам по I варианту


| Тип двигателя | |||||||
| Размеры, мм | STg65-2i STg65-4i STg65-6i SEg65-2i SEg65-4i |
STg71-2А STg71-4A SEg71-2А SEg71-4A |
STg71-2B STg71-4B SEg71-2B SEg71-4B STg71-6A STg71-6B STg71-2A IE3 |
STg80-2C STg80-4C SЕg80-2C SEg80-4C STg71-6C |
STg80-2D STg80-4D SЕg80-2D |
||
| L1 | 30 | 40 | 40 | 50 | 50 | ||
| L10 | 111 | 90 | 90 | 100 | 100 | ||
| L17 | - | 7 | 7 | 10 | 10 | ||
| L20 | IM2081 IM3081 |
3.5 | 3.5 | 3.5 | 3.5 | 3,5 | |
| IM2181 IM3681 |
2.5 3 |
2.5 3 |
2,5 3 |
3,0 3,5 |
3,0 3,5 |
||
| L30 | 235 | 258 | 278 | 314 | 333 | ||
| L31 | 26 | 45 | 45 | 50 | 50 | ||
| L39 | 0 | 0 | 0 | 0 | 0 | ||
| b1 | 5 | 6 | 6 | 6 | 6 | ||
| b10 | - | 112 | 112 | 125 | 125 | ||
| b16 | - | 7 | 7 | 12 | 12 | ||
| h | 65 | 71 | 71 | 80 | 80 | ||
| h1 | 5 | 6 | 6 | 6 | 6 | ||
| h5 | 16 | 21,5 | 21,5 | 24,5 | 24,5 | ||
| h10 | - | 6 | 6 | 10 | 10 | ||
| h31 | 172 | 178 | 178 | 187 | 187 | ||
| d1 | 14 | 19 | 19 | 22 | 22 | ||
| b31** | 35 | 45 | 45 | 45 | 45 | ||
| d20 | IM2081 IM3081 |
165 | 165 | 165 | 165 | 165 | |
| IM2181 IM3681 |
85 | 85 | 85 | 100 | 100 | ||
| 100 | 115 | 115 | 130 | 130 | |||
| d22 | IM2081 IM3081 |
12 | 12 | 12 | 12 | 12 | |
| IM2181 IM3681 |
М6 | М6 | М6 | М6 | М6 | ||
| М6 | М8 | М8 | М8 | М8 | |||
| d24 | IM2081 IM3081 |
200 | 200 | 200 | 200 | 200 | |
| IM2181 IM3681 |
120 | 120 | 120 | 120 | 120 | ||
| 120 | 140 | 140 | 160 | 160 | |||
| d25 | IM2081 IM3081 |
130 | 130 | 130 | 130 | 130 | |
| IM2181 IM3681 |
70 | 70 | 70 | 80 | 80 | ||
| 80 | 95 | 95 | 110 | 110 | |||
Скачать руководство по эксплуатации
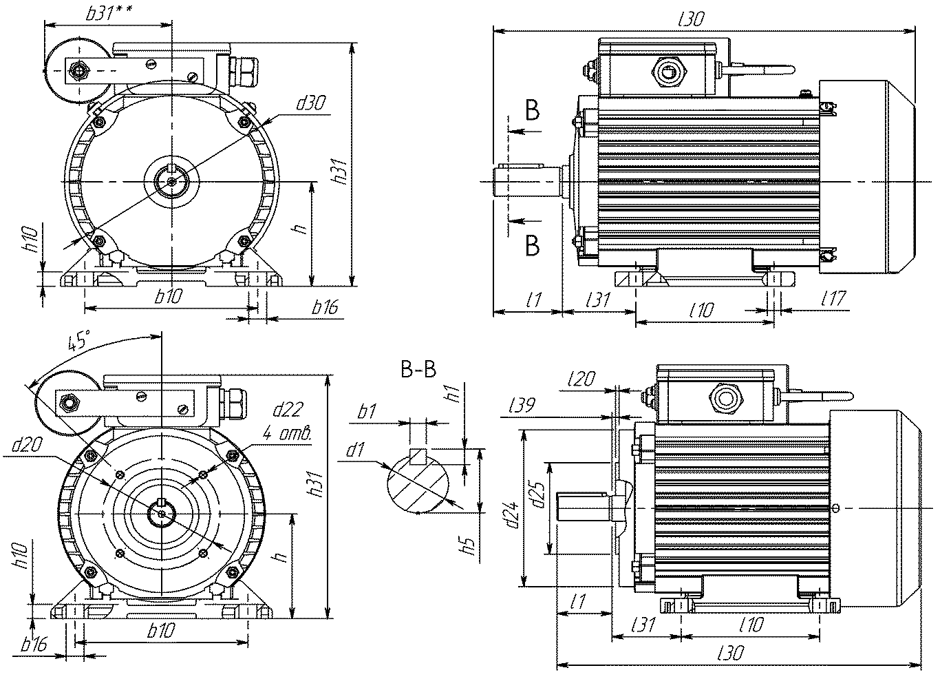
Габаритные, установочные и присоединительные размеры двигателей
c привязкой мощности к установочным и присоединительным размерам по II варианту

| Тип двигателя | |||||||
| Размеры, мм | STg71-2i STg71-4i STg71-6i |
STg80-2А STg80-4A SEg80-2А SEg80-4A SEg80-2i SEg80-4i |
STg80-2B STg80-4B STg80-6A STg80-6B SEg80-2B SEg80-4B STg80-2A IE3 |
STg90-2C STg90-4C SЕg90-2C SEg90-4C STg90-6C |
STg90-2D STg90-4D SЕg90-2D |
||
| L1 | 40 | 40 | 40 | 50 | 50 | ||
| L10 | 90 | 100 | 100 | 100/125 | 100/125 | ||
| L17 | 7 | 10 | 10 | 10 | 10 | ||
| L20 | IM2081 IM3081 |
3.5 | 3.5 | 3.5 | 3.5 | 3,5 | |
| IM2181 IM3681 |
2.5 3 |
3 3,5 |
3 3,5 |
3,0 3,5 |
3,0 3,5 |
||
| L30 | 258 | 258 | 278 | 314 | 333 | ||
| L31 | 45 | 50 | 50 | 56 | 56 | ||
| L39 | 0 | 0 | 0 | 0 | 0 | ||
| b1 | 6 | 6 | 6 | 8 | 8 | ||
| b10 | 112 | 125 | 125 | 140 | 140 | ||
| b16 | 7 | 12 | 12 | 12 | 12 | ||
| h | 71 | 80 | 80 | 90 | 90 | ||
| h1 | 6 | 6 | 6 | 7 | 7 | ||
| h5 | 21,5 | 21,5 | 21,5 | 27 | 27 | ||
| h10 | 6 | 10 | 10 | 10 | 10 | ||
| h31 | 178 | 187 | 187 | 197 | 197 | ||
| d1 | 19 | 19 | 19 | 24 | 24 | ||
| b31** | 45 | 45 | 45 | 45 | |||
| d20 | IM2081 IM3081 |
- | 165 | 165 | 165 | 165 | |
| IM2181 IM3681 |
85 | 100 | 100 | 115 | 115 | ||
| 115 | 130 | 130 | 130 | 130 | |||
| d22 | IM2081 IM3081 |
- | 12 | 12 | 12 | 12 | |
| IM2181 IM3681 |
М6 | М6 | М6 | М8 | М8 | ||
| М8 | М8 | М8 | М8 | М8 | |||
| d24 | IM2081 IM3081 |
- | 200 | 200 | 200 | 200 | |
| IM2181 IM3681 |
120 | 120 | 120 | 140 | 140 | ||
| 140 | 160 | 160 | 160 | 160 | |||
| d25 | IM2081 IM3081 |
- | 130 | 130 | 130 | 130 | |
| IM2181 IM3681 |
70 | 80 | 80 | 95 | 95 | ||
| 95 | 110 | 110 | 110 | 110 | |||